Reference: 3026-VEX
ATEX drums rotator
Description
ATEX II 2GD drums rotator, suitable for steel drums thanks to its adjustable ratchet. With its lever, drums are lifted, spin, agitate, emptied and transported easily.
Also known as:
ATEX drums manipulator stacker, ATEX drums dischargers tipper . Turner
Technical data
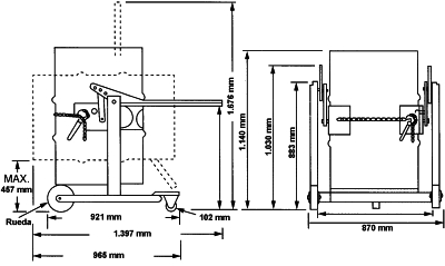
| Reference | 3026-VEX |
| Dimensions (mm) length x width x height | 1.390 x 870 x 1.020 mm |
| Weight Kg | 50 |
| Load | 350 Kg |
| Drum | 1 |
Documentation


.jpg)
