Referencia: 12085
Gato 10.000 kg
Descripción
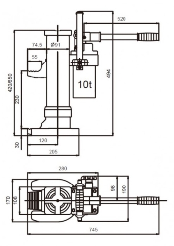
Gato hidráulico para aplicaciones como movimiento de maquinaria, mantenimiento, construcción, transportes, aplicaciones de ingeniería, mantenimiento en trenes, camiones, tractores, etc. Complemento ideal para tanquetas. Poseen una válvula de seguridad contra sobrecargas, ascenso y descenso suave, temperatura de uso desde -20ºC a +50ºC. Elevación desde 30 hasta 260 mm del suelo. Uña giratoria.
También llamado:
Elevador hidráulico.
Datos técnicos
| Referencia | 12085 |
| Dimensiones ( L x A x H ) | 326 x 170 x 420 |
| Peso kg. | 35 |
| Medidas uña mm. | 70 x 50 |
| Elevación uña mm. | 30 hasta 260 |
| Carga max. kg. | 10.000 |
Documentación


.jpg)
